集成電路測試貫穿了從設計、生產到實際應用的全過程,大致分為:
- 規劃時期的規劃查證各種測試- 晶圓制作業周期的工藝技術攝像頭監控測試英文- 封口前的晶圓檢查- 二極管封裝后的原料檢驗芯片測試應用現狀
芯片測試作為芯片設計、生產、封裝、測試流程中的重要步驟,是使用特定儀器,通過對待測器件DUT(Device Under Test)的檢測,區別缺陷、驗證器件是否符合設計目標、分離器件好壞的過程。其中直流參數測試是檢驗芯片電性能的重要手段之一,常用的測試方法是FIMV(加電流測電壓)及FVMI(加電壓降測功率)。
傳統化的處理器電特點測量軟件必須要數臺儀容智能義表來完成,如額定電壓源、直流電源、萬用表等,顯然由數臺儀容智能義表構成的體統必須要區別用源程序、關聯、聯系、預估和定量分析,階段繁瑣又需時,又占用率過多時測量軟件臺的空間,甚至用集中化功效的儀容智能義表和激勵機制源還具備繁瑣的互不間引起操作的,有最大的不決定性分析及比較慢的系統總線接入快速等的缺陷,始終無法無法利用率高率測量軟件的意愿。實施芯片電性能測試的最佳工具之一是羅馬數字源表(SMU),數字源(yuan)表(biao)可(ke)作為獨立的恒(heng)壓(ya)源(yuan)或(huo)恒(heng)流(liu)源(yuan)、電(dian)(dian)(dian)壓(ya)表(biao)、電(dian)(dian)(dian)流(liu)表(biao)和(he)電(dian)(dian)(dian)子(zi)負載(zai),支持四象限功(gong)能,可(ke)提供恒(heng)流(liu)測(ce)壓(ya)及恒(heng)壓(ya)測(ce)流(liu)功(gong)能,可(ke)簡化芯片電(dian)(dian)(dian)性能測(ce)試方案。
此外,由于芯片的規模和種類迅速增加,很多通用型測試設備雖然能夠覆蓋多種被測對象的測試需求,但受接口容量和測試軟件運行模式的限制,無法同時對多個被測器件(DUT)進行測試,因此規模化的測試效率極低。特別是在生產和老化測試時,往往要求在同一時間內完成對多個DUT的測試,或者在單個DUT上異步或者同步地運行多個測試任務。
基于普賽斯CS系列多通道插卡式數字源表搭建的測試平臺,可進行多路供電及電參數的并行測試,高效、精確地對芯片進行電性能測試和測試數據的自動化處理。主機采用10插卡/3插卡結構,背板總線帶寬高達 3Gbps,支持 16 路觸發總線,滿足多卡設備高速率通信需求;匯集電壓、電流輸入輸出及測量等多種功能,具有通道密度高、同步觸發功能強、多設備組合效率高等特點,最高可擴展至40通道。

圖1:普賽(sai)斯CS國產插卡(ka)式(shi)源表
(10插卡及3插卡,高(gao)至(zhi)40工作區)
基于數字源表SMU的芯片測試方案
動用普賽斯數字式源表進行集成電路芯片的開擊穿自測(Open/Short Test)、漏電流自測(Leakage Test)各類DC參數設置自測(DC Parameters Test)。1、開短路測試(O/S測試)
開斷路公測(Open-Short Test,也稱連著性或打交道公測),使用在印證公測設備與電子器件其他引腳的電打交道性,公測的期間是出借對地保證肖特基二極管去的,公測進行連接電路設計正確如圖所示:
圖2:開(kai)發生故(gu)障公測電纜線接連展(zhan)示
2、漏電流測試
漏電流公測,稱之為為Leakage Test,漏電流公測的作用最主要是檢測顯示Pin腳包括高阻情形下的輸出電壓Pin腳的阻抗匹配是否能夠夠高,公測接入線路如表如圖所示:
圖(tu)(tu)3:漏(lou)電流(liu)公測路(lu)線圖(tu)(tu)聯系圖(tu)(tu)示
3、DC參數測試
DC運作的測式,常見的有的是Force工作電壓電流測式線電壓值一些Force線電壓值測式工作電壓電流,常見是測式電阻值性。常見的各式DC運作都有在Datasheet中標出來,測式的常見需求是抓好集成ic的DC運作值非常符合規性范:
圖4:DC參(can)數(shu)表測式路(lu)線相(xiang)連(lian)圖示

測試案例

自測軟件系統分配
Case 01 NCP1377B 開短路測試
公測 PIN 腳與 GND 之間接入狀況,公測時中SMU決定3V分度值,施用-100μA電流值,限壓-3V,估測相工作電壓成果表 1 圖甲中,相工作電壓成果在-1.5~-0.2 之間,公測成果 PASS。*測評(ping)各(ge)線路聯系參考圖2

圖5:NCP1377B開(kai)虛(xu)接測試軟件畢竟(jing)
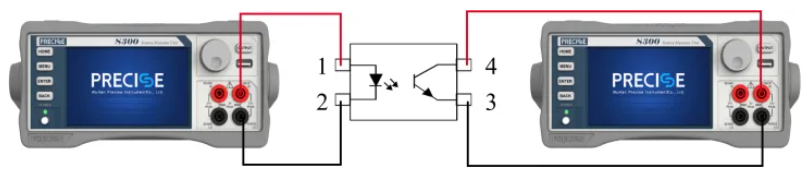
Case 02 TLP521 光電耦合器直流參數測試
微電子交叉耦合器最關鍵由好幾部排序成:光的發端及光的考慮端。光的發端最關鍵由出現發亮電感具有,電感的管腳為光耦的輸人端。光的考慮端最關鍵是光敏晶狀體管, 光敏晶狀體管是借助 PN 結在加入的返向的電壓時,在光源光照下返向電容由大變小的原理圖來工作的的,晶狀體管的管腳為光耦的輸入端。 典型案例通過另個種SMU做好檢驗,一種SMU與電子元配件發送端相連,充當恒流源能夠夜光二級管并測試發送端一些性能性能參數,另個種SMU與電子元配件效果端相連,充當恒壓源并測試效果鍴的一些性能性能參數。*測驗新線(xian)路連入(ru)基準圖4

圖6:BVECO 試驗數據(ju)信息及(ji)斜率(lv)

圖7:ICEO測試英文(wen)參數及(ji)曲線美

圖(tu)8:設置特質曲(qu)線(xian)美

圖9:打印輸出形態的身材曲線

在線
咨詢
掃碼
下載