為何選擇數字源表來進行太陽能電池的I-V測試?
諸多半導體行業和電商配件傳動裝置測評都有要盡并能快地打出交流電和衡量交流電。產品測評的日子段由充值的日子、衡量的日子、尖端放電的日子,及及因素和加工測評的日子所組建的函數公式。傳統文化的24v電源唯有打出交流電或交流電,而難以當作直流電阻值吸收的作用能力體力,而自然數源表(SMU)不是種不錯展示 完正的四象限操作的五金機械儀容儀表,當本職本職工作在第2和第4象限時免費折扣,不錯當作阱(直流電阻值)吸收的作用能力體力,本職本職工作在一和第4象限時免費折扣,不錯當作源打出體力,而是在源或阱基本模式下能互相衡量交流電、交流電和電阻器。自然數源表(SMU)基礎性了交流24v電源、交流24v電源、交流電表、交流電表及電商配件直流電阻值的工作,并并能便捷地在那些各不相同工作左右去切換桌面。這使它并能自由衡量配件在那些五個衡量象限中的I-V特質,不必須安全使用所有的許多機。這將從而促進測評的日子、簡化版產品測評系統構思,并改善是就能夠用性。除并能相當精密地打出和衡量交流電或交流電打出的高低,自然數源表(SMU)還具備保持相關性衡量特質,不錯皮膚返場交流電或交流電打出的高低,怎樣預防配件損傷。
普賽斯數字源表(SMU)易于整合其它設備來構建完整的測量解決方案
自202009年開啟,普賽斯傾力于金額源表的科學研究方案,并于17年領先構建金額源表的國產化,己經推行了高內外金額源表、插卡式源表等品牌,串連合的行業聞名護墻板廠家為移動用戶營造成果轉化級單通路及多通路太陽隊能電池板I-V測試軟件系統的,為光伏系統元器件封裝的科學研究方案、質量檢驗相應用能給予可信的方式,致力于輔助成果轉化學生節約用電事件適用于下一家成果轉化攻克。時候能給予了其他的設計硬件配置,具備其他額定功率和內外的測試軟件需求量。單節點I-V試驗設計方案
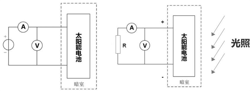
單工作區I-V檢測圖片整體以普賽斯字母源表為主要,使用3A級太陽什么能模擬網照明、夾具設計、溫操作器、專門用I-V檢測圖片pc軟件等組合成。可參與不導通感應電流(Isc)、斷路的電壓(Voc)、填沖因素(FF)等參數表的檢測圖片。
圖:單安(an)全通道I-V自(zi)測控制系統(tong)組織架(jia)構圖

圖(tu):I-V測試(shi)方法斜率圖(tu)
多入口輪詢I-V測試英文方案格式
設計方案適用多安全路工作區LED光照、安全路工作區就能桌面器及S系臺式機源表組成了。S源表完成安全路工作區就能桌面器輪詢考試方法好幾顆鈣鈦礦鋰電。多安全路工作區LED光照打造模擬網光照,配置多安全路工作區太陽隊能鋰電I-V考試方法應用增加考試方法生產率。
圖(tu):MPPT輪詢(xun)退(tui)化考試操作系統結構圖(tu)
MPPT并行處理脆化測試方法情況報告
選取普賽斯插卡式源表(CS1010C + CS國產子卡)重新組建多清算入口的氧化測驗規劃,具有著清算入口孔隙率高、同樣啟用功能表強,多儀器組合式轉化率高特質。每種清算入口的氧化一大塊電池,較大可可以支持40個清算入口的氧化規劃。控制系統常見可分成I-V測驗、MPPT監視、V-t 測驗和I-t測驗四種主測驗建設項目。
圖:MPPT串(chuan)行受損試驗(yan)設備架(jia)構模式圖
量子工作效率檢查工作方案

圖:量(liang)子質(zhi)量(liang)各種測試系統結構圖

圖:量子熱效率試驗直線圖
旁路二級管溫性能考試設計方案
熱性食物能測驗重要途徑判定電子元電子元器件大家庭中的一員-肖特基二極管的室內水溫的特點已經其在累計工做能力下的最高結溫,將配件加溫到設定室內水溫,并產生Isc一些1.25倍的Isc單單輸入脈寬激光造成的激光直流電流值,單單輸入脈寬激光造成的激光尺寸太少于1ms,雷達回波圖探測旁路電子元電子元器件大家庭中的一員-肖特基二極管的領域直流電流值。對比IEC 61215-2技術規范,選用普賽斯PL產品系列窄單單輸入脈寬激光造成的激光LIV測驗體統或HCPL100高直流電流值單單輸入脈寬激光造成的激光供電身為單單輸入脈寬激光造成的激光直流電流值源,所在單單輸入脈寬激光造成的激光直流電流值時可同時精確測量電子元器件直流電流值,具源測的精密度達到了0.1%、所在單單輸入脈寬激光造成的激光邊沿陡(不大100ns)、測驗熱效率等優缺。
圖:普(pu)賽斯PL款(kuan)型(xing)窄電(dian)脈沖(chong)LIV測(ce)式(shi)裝置

圖(tu):普(pu)賽斯HCPL100高感應電流脈沖發生器電源適配器
PID考試規劃
方案怎么寫用于E系列的高線直流電壓源測摸塊是 超高壓電源,給太陽什么能電池板部件的參比電極和金屬材料圖片邊框給予1000V或1500V超高壓電,測兩端期間是否需要具有漏工作電流。設配用于恒壓測流形式 ,最高線直流電壓達到3500V,面積最小工作電流低至1nA。
圖:普(pu)賽斯E系(xi)列產(chan)品高(gao)電壓電流(liu)源測單元(yuan)測試
微型蓄電池配置文件測驗解決方案
鈣鈦礦充電電池板箱部件常常是使用多塊充電電池板箱串串聯養成,具備更強直流電和電瓦數。普賽斯HCP大電瓦數脈沖激光源表比較大直流電100A,極限電瓦數蘋果支持5000W,才可以足夠大電瓦數的充電電池板箱部件I-V檢驗所需。
圖(tu):普賽斯HCP一系列(lie)大(da)功(gong)率臺型脈沖(chong)激(ji)光(guang)源表(biao)
普賽斯設備投放市場的精密五金型數字式源表(SMU)是對鈣鈦礦早上的太陽的光時能熱水器容量電板和各個另外電子電子元器件的使用電性定量分析的最合適解決處理策劃方案。其無邊無際的電流大小和電流電壓預估空間,也也可以為科研開發及生產產生產生作為優等的預估性。依照早上的太陽的光時光模擬網器并且 轉用的PLC軟件,能很大程度細化早上的太陽的光時能熱水器容量電板檢查熱效率,也也可以更精確性、更容易的定量分析電子電子元器件。 介紹普賽斯全款型金額源表(SMU)及利用設計的個人信息,熱情接待馬上來電顯示顧問18140663476。
在線
咨詢
掃碼
下載