一、氮化鎵的發展與前景
5G、6G、小行星微波通信無線通信無線通信、微波通信無線通信統計將帶給半導配件設施物料大創新性的變現,伴隨著無線通訊頻段向中頻移動,移動信號塔和微波通信無線通信無線通信設施想要的支持中頻性能參數的頻射元件。與Si基半導配件設施相信,作3、代半導配件設施的主要,GaN還具有挺高電子器材廠移動率、飽和電子器材廠強度和損壞電場強度的優越性將全面明顯。更是某些優越性,以GaN為主要的3、代半導配件設施物料和元件因良好的高溫度油田及中頻屬性,被而言是魅力電子器材廠和微波通信無線通信頻射技藝的基本點。 伴隨GaN技術水平的漸趨早熟,澳大利亞開使將GaN工作工作輸出功率元器向航天飛機APP拓張,積極主動起寬禁帶光電元功率電子功率器件元功率器件封裝原料為框架的GaN元器的之前優越性,成稱重更輕、功效更專業的航天飛機APP的電子功率器件無線設配。基于Yole Development 的明確動態數據產生 ,2025年各國GaN工作工作輸出功率貿易市面產值約為4700萬人民幣 ,保守估計2026年能滿足16億人民幣 ,2020-2026年CAGR還有機會滿足70%。從在我目前中國地看,GaN是當今能一同體現低頻、提高效率、大工作工作輸出功率的代表英文英語性元器,是承受“新工程項目”網站建設的主要重點部分,能夠促進“雙碳”夢想體現,進一步深入力促綠色環保綠色環保進步,在5G移動基站、新能量沖電樁等新工程項目代表英文英語設一進而APP。伴隨目前中國現行政策的進一步深入力促和貿易市面的具體需求,GaN元器在“快充”游戲 背景下,還有機會隨在我國經濟能力的蘇醒和網上生活消費電子產品功率器件無線極大的庫存量貿易市面而迅速破圈。今后,伴隨新工程項目、新能量、新網上生活消費等行業領域的繼續力促,GaN元器在在我目前中國地貿易市面的APP終將產生 怏速成長的新形勢。

二、氮化鎵器件工作原理
類型的GaN HEMT元器件封裝設備構造如下如圖圖如圖,從上我們往下看按序分別為為:柵極、源極、漏極為子、介電層、勢壘層、加載層、同時襯底,并在AlGaN / GaN的接觸面進行異質結設備構造。是因為AlGaN的用料含有比GaN的用料更寬的帶隙,在順利到達失衡時,異質陰陽師小僧面接壤處能用出現彎折變形,出現導帶和價帶的不連續式,并進行一名三邊形型形的勢阱。不少的手機聚集在三邊形型局勢阱中,得以超過至勢阱外,手機的橫向體育運動被規定在這里畫質的薄層中,這里薄層被號稱二維手機氣(2DEG)。 當在光電元集成電路芯片的漏、源兩端生成端輸出功率工作電流VDS,溝道內生成橫著靜電磁場。在橫著靜電磁場的作用下,二維光電氣沿異質陰陽師小僧面實現傳送,行成的打出工作電流量IDS。將柵極與AlGaN勢壘層實現肖特基遇到,用生成不一大小不一的柵極端輸出功率工作電流VGS,來控住AlGaN/GaN異質結中勢阱的厚度,優化溝道中二維光電氣孔隙率,若想控住溝道內的漏極的打出工作電流量揭開與關斷。二維光電氣在漏、源極生成端輸出功率工作電流時可不可以合理有效地電荷轉移光電,擁有很高的光電搬遷率和導電性,這GaN光電元集成電路芯片能擁有適宜耐熱性的基本條件。

三、氮化鎵器件的應用挑戰
在頻射功放機體系中,瓦數啟閉功率配件或許所需耐受性時間段各類高線額定電壓熱應力,針對于GaN HEMT來說 其非常好的耐各類高線額定電壓工作的水平和太快的啟閉網絡速度不錯將相近的線額定電壓等級分類的電體系走入更好的聲音頻率。可是在各類高線額定電壓APP下一款頻發減少GaN HEMT耐磨性的狀況只是感應功率大小滑坡問題(Current Collapse)。 感應功率大小滑坡又叫做作動態數據導通熱敏內阻衰老,即功率配件交流電測驗時,被強電場強度的復發挑戰后,飽合感應功率大小與比較大跨導都展現出回落,閾值法線額定電壓和導通熱敏內阻產生升的研究問題。這段時間,需選擇脈寬激光測驗的原則,以添加功率配件在脈寬激光工作的的模式下的真識運營環境。教學科研方面,也在校驗脈寬對感應功率大小所在工作的水平的引響,脈寬測驗範圍遍布0.5μs~5ms等級分類,10%占空比。

另外,由于GaN HEMT器(qi)件(jian)(jian)高功率(lv)密(mi)度(du)和(he)比較大(da)(da)(da)的(de)(de)(de)擊穿電(dian)(dian)場的(de)(de)(de)特性(xing),使得(de)該(gai)器(qi)件(jian)(jian)可(ke)以在(zai)大(da)(da)(da)電(dian)(dian)流(liu)大(da)(da)(da)電(dian)(dian)場下工作。GaN HEMT工作時,本身會產(chan)生(sheng)一定的(de)(de)(de)功率(lv)耗(hao)散,而(er)(er)這部分功率(lv)耗(hao)散將會在(zai)器(qi)件(jian)(jian)內(nei)部出(chu)現“自(zi)熱(re)效應”。在(zai)器(qi)件(jian)(jian)的(de)(de)(de)I-V測試中,隨(sui)著Vds的(de)(de)(de)不斷增(zeng)(zeng)大(da)(da)(da),器(qi)件(jian)(jian)漏源電(dian)(dian)流(liu)Ids也隨(sui)之上(shang)升(sheng),而(er)(er)當器(qi)件(jian)(jian)達到(dao)飽和(he)區時Ids呈現飽和(he)狀態,隨(sui)著Vds的(de)(de)(de)增(zeng)(zeng)大(da)(da)(da)而(er)(er)不再增(zeng)(zeng)加。此時,隨(sui)著Vds的(de)(de)(de)繼續上(shang)升(sheng),器(qi)件(jian)(jian)出(chu)現嚴(yan)重(zhong)的(de)(de)(de)自(zi)熱(re)效應,導致(zhi)飽和(he)電(dian)(dian)流(liu)隨(sui)著Vds的(de)(de)(de)上(shang)升(sheng)反而(er)(er)出(chu)現下降(jiang)的(de)(de)(de)情(qing)況(kuang),在(zai)嚴(yan)重(zhong)的(de)(de)(de)情(qing)況(kuang)下不僅會使器(qi)件(jian)(jian)性(xing)能(neng)出(chu)現大(da)(da)(da)幅度(du)的(de)(de)(de)下降(jiang),還可(ke)能(neng)導致(zhi)器(qi)件(jian)(jian)柵(zha)極金屬損壞、器(qi)件(jian)(jian)失效等一系列不可(ke)逆的(de)(de)(de)問(wen)題,必須采用脈沖(chong)測試。


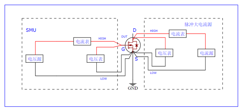
四、普賽斯GaN HEMT器件高性能表征方案
GaN HEMT電子元件效能的考評,似的主要包括外部叁數各種軟件公測方法英文(I-V各種軟件公測方法英文)、頻繁的特點(小數字信號S叁數各種軟件公測方法英文)、最大功率的特點(Load-Pull各種軟件公測方法英文)。外部叁數,也被通稱直流電叁數,是是用來考評半導體技術電子元件效能的地基各種軟件公測方法英文,也是電子元件適用的至關至關重要原則。以閥值電阻值Vgs(th)概述,其值的規格對研制開發考生設置電子元件的安裝驅動電源線路有著至關至關重要的考核評價的意義。 空態自測圖片軟件工藝,一般來說是在電子元器材相匹配的接線端子上加個載電阻器值或許端電壓電流的電壓電壓電流,并自測圖片軟件其相匹配產品參數指標。與Si基電子元器材各不相同的是,GaN電子元器材的柵極閾值法法電阻器值較低,以至于要調用的負壓。常有的空態自測圖片軟件產品參數指標有:閾值法法電阻器值、的電壓擊穿電阻器值、漏端電壓電流的電壓電壓電流、導通電阻器、跨導、端電壓電流的電壓電壓電流崩塌定律自測圖片軟件等。

圖:GaN 轉換性質的身材曲線美(從何而來:Gan systems) 圖:GaN導通內阻的身材曲線美(從何而來:Gan systems)
1、V(BL)DSS擊穿電壓測試
端固定電阻值降擊穿端固定電阻值降,即配件源漏兩端所要承載的固定值最大的端固定電阻值降。相對用電線路的設計者來說,在選購配件時,通常要預定必定的留量,以確保配件能承載整塊控制回路中可能出顯的浪涌端固定電阻值降。其測式的辦法為,將配件的柵極-源極快接,在固定值的漏電流條件下(相對GaN,普通為μA職位)測式配件的端固定電阻值降值。
2、Vgsth閾值電壓測試
閥值法電流值,是使元件源漏電流導通時,柵極所施加壓力的至少進入電流值。與硅基元件不同的,GaN元件的閥值法電流值似的較低的值此,幾乎為負值。如此,這就對元件的能夠包方案的概念強調了新的挑釁。上前在硅基元件的能夠包,并不會間接于GaN元件。怎么樣最準確的添加手邊上GaN元件的閥值法電流值,關于科研工作員方案的概念能夠包電源電路,至關比較重要。
3、IDS導通電流測試
導通電壓值,指GaN集成電路芯片在打開情況下,源漏兩端能夠利用的載荷系數最大的電壓值值。然而非常值得特別注意的是,電壓值在利用集成電路芯片時,會帶來熱能量。電壓值較小時候,集成電路芯片帶來的熱能量小,利用自己的導熱也許外結構導熱,集成電路芯片氣溫環境承載力變化無常值較小,對測式英文的畢竟的影響到也能能主要失去。但當利用大電壓值,集成電路芯片帶來的熱能量大,無發利用自己的也許靈活運用外結構迅猛導熱。此刻,會引發集成電路芯片氣溫的逐年下降,不使測式英文的畢竟帶來誤差值,甚至于燒壞集成電路芯片。這樣,在測式英文導通電壓值時,選用迅猛智能式電壓值的測式英文的做法,正慢慢地為新的混用做法。
4、電流坍塌測試(導通電阻)
功率滑坡相應,在元電子元件準確產品參數上體現情況導通電容器。GaN 元電子元件在關斷情況承擔漏源特別高線電壓,當添加到開啟情況時,導通電容器短時間擴大、極大漏極功率增加;在的不同水平下,導通電容器呈顯現出來出必須規范的情況轉變。該問題成為情況導通電容器。 測試階段為:第一步,柵極運行P類型電脈沖造成的發生器信號源表,啟用配件;一同,運行E類型直流電電低壓源測模快,在源極和漏極間施加壓力直流電電低壓。在移除直流電電低壓最后,柵極運行P類型電脈沖造成的發生器信號源表,高效導通配件的一同,源極和漏極內采取HCPL高電脈沖造成的發生器信號工作電流值源打開穩定電脈沖造成的發生器信號工作電流值,在線測量導通電阻功率值。可一次重覆該階段,繼續分析配件的動態性導通電阻功率值不同情況報告。
5、自熱效應測試
在激光輸入激光電輸入脈沖發生器衛星信號衛星信號I-V 測評測評時,在4個激光輸入激光電輸入脈沖發生器衛星信號衛星信號事件是,元器材的柵極和漏極第一個被偏置在靜止點(VgsQ, VdsQ)展開誤區注射,此時前幾天,元器材中的誤區被電子注射,第三偏置額定電阻降從靜止偏置點刷到測評測評點(Vgs, Vds),被籠絡的電子隨之事件的變化獲取宣泄,最終得以獲取被測元器材的激光輸入激光電輸入脈沖發生器衛星信號衛星信號I-V 基本特性線性。當元器材居于長事件的激光輸入激光電輸入脈沖發生器衛星信號衛星信號額定電阻降下,其熱不確定性大,造成的元器材交流電山體滑坡率多,需要測評測評設施設備具備著迅速 激光輸入激光電輸入脈沖發生器衛星信號衛星信號測評測評的水平。詳細測評測評過程中為,用到普賽斯CP類別激光輸入激光電輸入脈沖發生器衛星信號衛星信號恒壓源,在元器材柵極-源極、源極-漏極,都讀取迅速激光輸入激光電輸入脈沖發生器衛星信號衛星信號額定電阻降衛星信號,同時測評測評源極-漏極的交流電。可借助安裝有所差異的額定電阻降甚至脈寬,查看元器材在有所差異科學試驗前提條件下的激光輸入激光電輸入脈沖發生器衛星信號衛星信號交流電輸送水平。

五、基于高性能數字源表SMU的氮化鎵器件表征設備推薦
SMU,即源精確測量單元尺寸,是種代替半導體設備這個行業材質,包括器材檢測性能方面高方面儀盤表。與傳統式的萬用表,包括感應瞬時電流量源不同之處,SMU集交流電壓值源、感應瞬時電流量源、交流電壓值表、感應瞬時電流量表包括電子為了滿足電子時代發展的需求,電機負載等多樣能力于合一。因此,SMU還包括多量程,四象限,三線制/四線制檢測等多樣特征。很久到現在,SMU在半導體設備這個行業檢測這個行業新產品研發來設計,產量步驟流程得到了了大面積選用。類似,對待氮化鎵的檢測,性能方面高方面SMU新產品也是必無可少的專用工具。
1、普賽斯P系列高精度臺式脈沖源表
重視氮化鎵直流事情的電壓功率電源高壓因素的在校正,意見建議使用的P編高準確度臺式電腦智能源表。P編智能源表是普賽斯在經曲S編直流事情的電壓功率電源源表的知識基礎上做大做強的兩款高準確度、大gif動態、數字5觸摸式源表,匯成事情的電壓功率、功率大小導入效果及在校正等許多功能鍵,較大效果事情的電壓功率達300V,較大智能效果功率大小達10A,蘋果支持四象限事情,被很廣APP軟件于各項電氣成套屬性測試軟件儀中。企業產品可APP軟件于GaN的閾值法事情的電壓功率,跨導測試軟件儀等公共場合。
- 脈沖直流,簡單易用
2、普賽斯E系列高壓源測單元
對直流低壓機制的校正,普賽斯儀器推行的E系列作品直流低壓程控交流電源具備傷害及校正電壓降值高(3500V)、能傷害及校正暗淡辦公直流電壓降手機信號(1nA)、傷害及校正辦公直流電壓降0-100mA等優缺點。企業品牌也可以同時辦公直流電壓降校正,能夠恒壓恒流辦公機制,上司能夠高的IV掃描儀掃描機制。企業品牌可操作于工率型直流低壓GaN的損壞電壓降值,直流低壓漏辦公直流電壓降檢驗,動態性導通電阻器等領域。其恒流機制而對于更快的校正損壞點具備重要目的意義。
- ms級上升沿和下降沿
3、普賽斯HCPL系列大電流脈沖電流源
關于GaN高速的單脈寬信號發生器式大直流電公測場境,可主要采用普賽斯HCPL食品高直流電單脈寬信號發生器供電。食品具讀取直流電大(1000A)、單脈寬信號發生器邊沿陡(主要表現耗時15μs)、幫助系統雙路單脈寬信號發生器交流電電壓在測量(最高值采集)與幫助系統讀取導電性修改等優缺點。食品可應該用于GaN的導通直流電,導通電阻器,跨導公測等場所。
4、普賽斯CP系列脈沖恒壓源
對於GaN功率自熱效果自測動畫場景,可分為普賽斯CP一系列電磁激光恒壓源。新食品體現了電磁激光功率大(最高的可至10A);電磁激光厚度窄(面積最小可低至100ns);支技直流的電壓、電磁激光兩大類的電壓打印輸出模式,等特征 。新食品可用于GaN的自熱效果,電磁激光S規格自測等領域。
*方面文字與圖案收入于公示資科收集整理
在線
咨詢
掃碼
下載